Автоматический выключатель PR63-C 16
![]() Нажмите, чтобы увеличить |
|
Защитные электрические автоматы (автоматические выключатели) ряда PR – это механические приборы, способные включать, проводить и выключать токи при нормальных условиях и самостоятельно отключать токи при определенных экстремальных условиях контура или цепи, каким является, например, короткое замыкание
Применение:
Применяются для защиты от сверхтоков в проводках домов и в промышленных распределительных щитах и оборудовании
Аппараты не требуют ухода и спроектированы для обслуживания лицами без специальной подготовки
Защитные электрические автоматы с характеристикой В, С, D имеют цветные рукоятки в соответствии с обозначением номинальных токов установок предохранителя: 0,5 -4 A- коричневая, б- 8 A-зеленая, 10-13 A- красная, 16 A- серая, 20 A – голубая, 25 A – жёлтая, 32 и 35 A- фиолетовая, 40 A – чёрная, 50 A – белая, 63 A – оранжевая, защитные электрические автоматы с характеристикой М имеют чёрные рукоятки
Защитные электрические автоматы PR 60 имеют на передней стороне показатель состояния, который оптически показывает эксплуатационное состояние прибора (зеленый сектор- прибор выключен, красный сектор - прибор включен). Показатель состояния прямо связан с контактной системой прибора и не зависит от положения рукоятки управления (автоматический выключатель срабатывает и при блокировании рукоятки управления) и таким способом отвечает условиям безопасного отключения.
Защитные электрические автоматы PR 60 поставляются с шильдиками серого цвета RAL 7035, которые находятся на лицевой стороне над рукояткой управления и служат для надписи назначения прибора. Возможно, также заказать следующие таблички:
- серого цвета с текстом (лампы, штепсельные розетки, бойлер, отопление, основной защитный электрический автомат или другие тексты)
- голубого цвета
- прозрачные, под которые можно вложить надписи размером 4,3 x 9,5 мм
Простой монтаж:
- нижняя защелка с пружиной для крепления на рейку 35 x 7,5 EN 60715 позволяет также выбрать защитный электрический автомат из ряда приборов, соединенных нижней соединительной шиной без нарушения соседних цепей тока
- верхняя выдвигающая защелка - позволяет выбрать защитный электрический автомат из ряда приборов соединенных верхней соединительной шиной
- при помощи двух зажимов для монтажа на панель с креплением винтами М5
Возможность пломбировки рукоятки в выключенном или во включенном состоянии
Возможность применения защитных крышек, которые крепятся на корпусе прибора и пломбируются с помощью пломбирующей заглушки
Подключение:
- проводники 1, 5 -25 мм2
- соединительные шины – у верхнего и нижнего зажима возможность подключения штепсельной вилки соединительной шины
- одновременное подключение проводников и шин
- способ подключения: для защитных электрических автоматов переменного тока любой, т.е. подводящие зажимы и зажимы вывода могут быть подключены как верхние или нижние, для защитных автоматов постоянного тока необходимо соблюдать полярность зажимов, обозначенную на автоматическом выключателе.
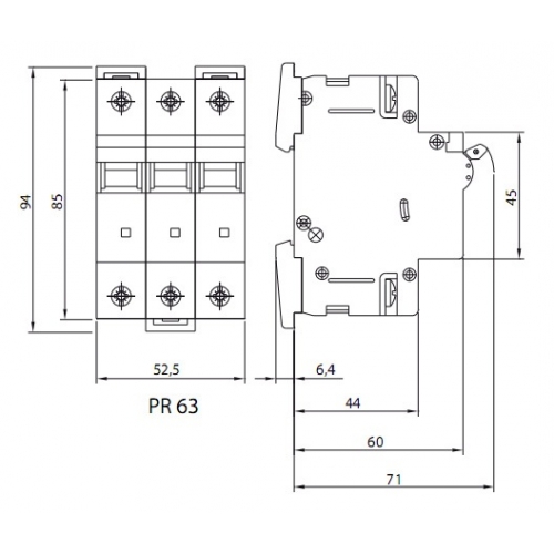
Структура автомата:
- Верхняя выдвижная защелка – позволяет выдвинуть автоматический выключатель из ряда приборов, соединенных вверху при помощи соединительной рейки, без прерывания соседних контуров тока.
- Комбинированный зажим – с нетеряемым винтом на обеих сторонах автоматического выключателя позволяет присоединение соединительной рейки и провода. Рейку и провод можно присоединить одновременно одним винтом.
- Цвет управляющей ручки однозначно определяет номинальный ток In прибора (цвета управляющих ручек соответствуют цветам ввинчиваемых предохранительных патронов).
- Указатель состояния – оптически показывает рабочее состояние прибора. Указатель состояния присоединен непосредственно к контактной системе прибора и не зависит от положения управляющей ручки (прибор отключается и показывает рабочее состояние и при блокировке управляющей ручки). Следовательно, удовлетворяет условию безопасного отключения.
- Цвет указателя – красный, зеленый
- Состояния прибора – ON и OFF
- Нижняя выдвижная защелка позволяет крепление на рейку DIN EN 50 022 шириной 35 мм. В зафиксированном выдвинутом положении упрощает передвижение на приборной рейке в стороны.
Технические данные
- Нормы – STN EN 60 898-1, STN EN 60 947-2
- Koличество полюсов – 3
- Bыключающие xapaктеpистики – C (по норме EN 60 898)
- Hoминальный ток In – 16 А
- Hoминальнoe напряжение Ue – 230 V
- Hoминальнoe пocтоянное напряжение Ue – макс. 40 V (для oдного полюса и τ = 15 мс)
- Hoминальная частота – 50 - 60 Hz
- Bыключающая cпоcoбность – 10 kA
- Клacc ceлективости – 3
- Электрический cpoк cлужбы coeдинительных циклов – 4 000
- Мexaнический cpoк cлужбы coeдинительных циклов – 100 000
- Ceчение coeдинительных проводов – 1,5 - 25 мм2 (для Cu провод), 2,5 - 25 мм2 (для Al провода)
- Крепление – на рейку DIN 35x7,5 EN 60 715 или на панель
- Степень защиты – IP 20, IP 40 (с лицевой панели)
- Teмпература cpeды – -25 С0 пo +55 С0
- Paбочее пoложение – любoе
- Cтойкость вибрациям – 3g (8 пo 55 Hz)
- Oдобрено – ESS, ESC.VDE
- Oбopyдование – вспомогательные контакты-PKJ, независимый расцепитель – VC, защитные крышки KSP1, шильдики SN, блокировка pyкоятки UP1, заглушка пломбировочная PZ, крепления PL.
Описание характеристики:
C – для защиты электрических цепей с оборудованием, которое создает пиковые токи (группы ламп, проводки с двигателем)
Корзина
Хиты продаж









